This unit provided with the following SERVICE
MODES so you can repair, examine and adjust easily.
To enter SERVICE MODE, unplug AC cord
till lost actual clock time. Then press and hold Vol (-) button of main unit
and remocon key simultaneously.
The both pressing of set key and
remote control key will not be possible if clock has been set. To reset clock,
either unplug AC cord and allow at least 30 minutes before Power On or alternatively,
discharge backup capacitor.
CONFIRMATION OF USING
HOURS
POWER
ON total hours and PLAY/REC total hours can be checked on the screen.
Total hours are displayed in 16 system of notation.
NOTE: The confirmation of using hours will not be possible if clock has been
set. To reset clock, either unplug AC cord and allow at least 30 minutes before
Power On or alternatively, discharge backup capacitor.
Set the VOLUME to minimum.
Press both VOL. DOWN button on the set and the Channel button (6) on the
remote control simultaneously.
After the confirmation of using hours, turn off the power.
INIT
00 83: Initial setting content of MEMORY
IC.
POWER ON 0010: POWER ON total hours.
PLAY/REC 0003: PLAY/REC total hours.
(16 x 16 x 16 x thousands digit value) + (16 x 16 x hundreds digit value) + (16
x tens digit value) + (ones digit value)
REPLACING OF MEMORY IC
If
a service repair is undertaken where it has been required to change the MEMORY
IC, the following steps should be taken to
ensure correct data settings while making reference to TABLE.
[Initial Data setting
will not be possible if clock has been set. To reset clock, either unplug AC
cord and allow at least 30 minutes before Power On or alternatively, discharge
backup capacitor. No need the setting for after INI 3F.]
Enter DATA SET mode by setting VOLUME to
minimum.
While holding down VOLUME button on
front cabinet, press key 6 on remote control simultaneously.
ADDRESS and DATA should appear as FIG.
ADDRESS is now selected and should
"blink". Using the SET + or - keys on the remote, step through the ADDRESS
until required ADDRESS to be changed is reached.
Press ENTER to select DATA. When DATA
is selected, it will "blink".
Again, step through the DATA using SET
+ or - until required DATA value has been selected.
Pressing ENTER will take you back to
ADDRESS for further selection if necessary.
Repeat steps 3 to 6 until all data has
been checked.
When satisfied correct DATA has been
entered, turn POWER off (return to STANDBY MODE) to finish DATA input.
The unit will now have the correct DATA for
the new MEMORY IC.
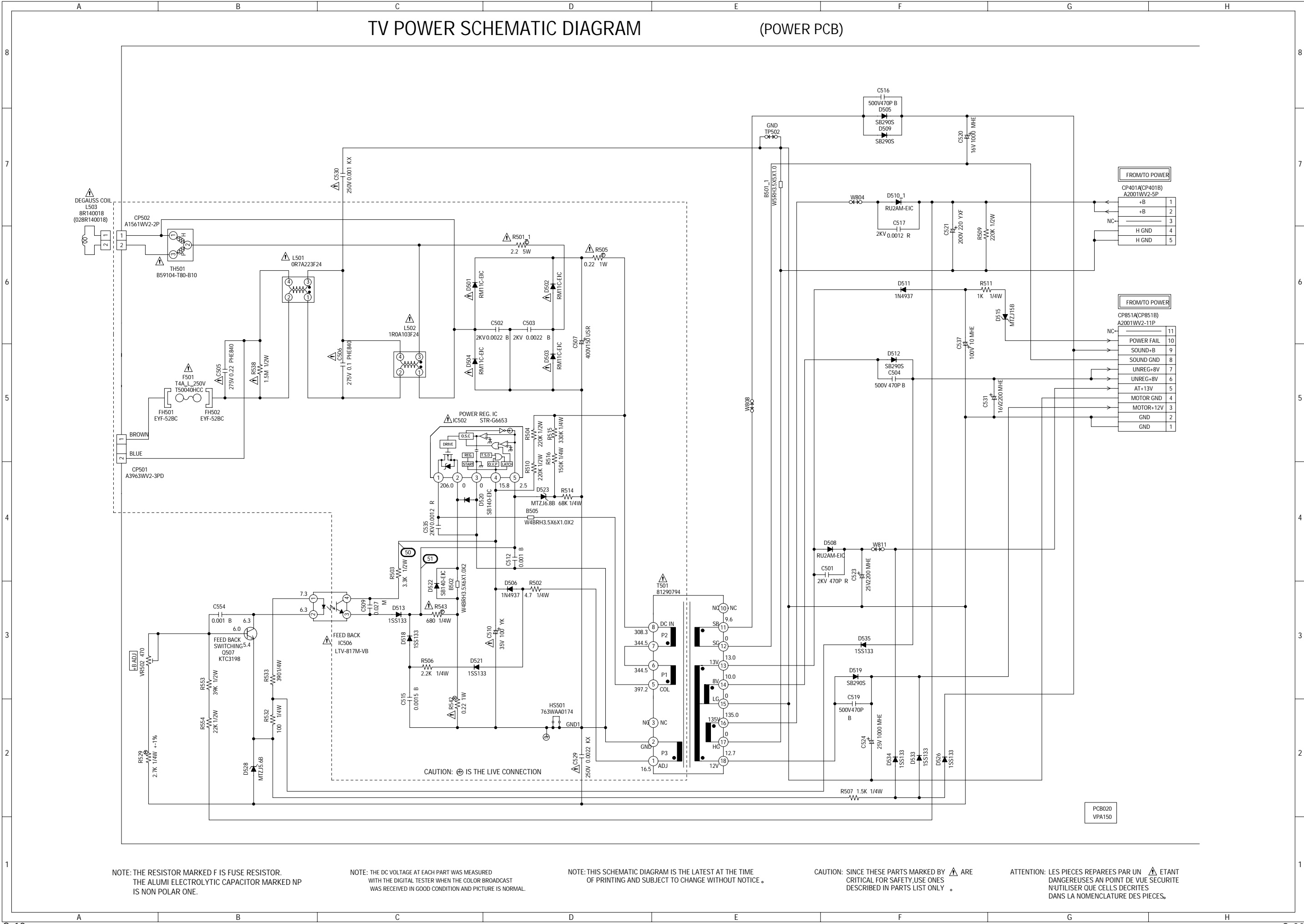
Schematic diagram










