HCD-XGR88 is the Amplifier, CD
player, tape deck and tuner section in LBT-XGR88.
DIN power output (rated):
|
145 + 145 watts (6 ohms at 1
kHz, DIN)
|
Continuous RMS power output
(reference):
|
Model Name Using Similar
Mechanism
|
HCD-XGR80
|
CD
Section |
CD Mechanism Type
|
CDM37B-30BD60C
|
|
Base Unit Name
|
BU-30BD60C
|
|
Optical Pick-up Name
|
A-MAX.3
|
|
TAPE
Section |
Model Name Using Similar
Mechanism
|
NEW
|
Tape Mechanism Type
|
CWM43RR23
|
Main board 1/4
Main board 2/4
Main board 3/4
Main board 4/4
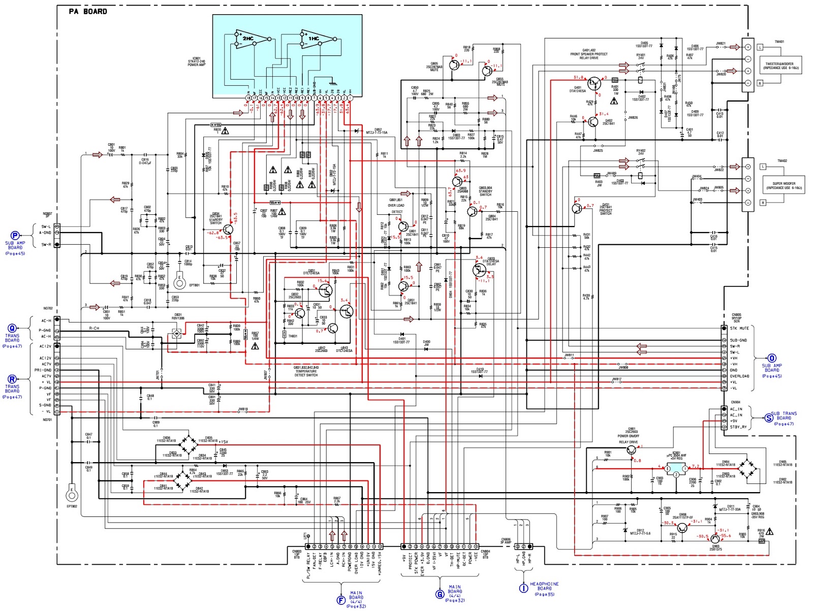
PA board
FL board
Panel keyboard
Sub-Amp board








